Відділ «Фізики радіаційних явищ і радіаційного матеріалознавства», заснований у 1975 р., забезпечує теоретичні та прикладні дослідження взаємодії потоків нейтронів і заряджених частинок з основними конструкційними матеріалами діючих та перспективних ядерних і термоядерних енергетичних установок.
У відділі активно проводяться дослідження з вивчення фізичної природи і механізмів радіаційних явищ, еволюції під опроміненням структурних станів, композиційного складу і радіаційної стійкості нових матеріалів. Виконуються роботи на енергоблоках атомних електростанцій (АЕС) України, що забезпечують безпечну роботу металів обладнання і трубопроводів, а також подовження призначеного терміну експлуатації.
До складу відділу входять 4 підрозділи, у складі яких працюють 1 член-кореспондент НАН України, 3 доктори і 11 кандидатів наук.
За період 2014 - 2018 рр. співробітниками відділу опубліковано близько 300 робіт: всього 115 публікацій в журналах, індексованих «Web of Science» і «Scopus»; близько 150 тез доповідей на міжнародних конференціях; 4 монографії обсягом понад 100 сторінок, а також 7 препринтів. З більш детальним списком можна ознайомитися тут.
- матеріалознавство конструкційних матеріалів, що експлуатуються, а також перспективних ядерних і термоядерних енергетичних установок;
- сучасні імітаційні експерименти, імітація радіаційного впливу в конструкційних матеріалах;
- наукове забезпечення подовження термінів експлуатації АЕС України за допомогою визначення реального стану залишкового ресурсу металу основного обладнання енергоблоків;
- дослідження впливу індукованих воднем і гелієм мікроструктурних змін на фізико-механічні властивості конструкційних матеріалів.
Вперше отримано результати щодо визначення параметрів розпухання в конструкційних матеріалах за надвисоких доз опромінення і надвисоких концентрацій газів-трансмутантів – гелію і водню. Встановлено, що поведінка радіаційного розпухання феррито-мартенситних сталей залежить від концентрації гелію і водню, які по-різному впливають на кінетику та величину розпухання на різних стадіях (в інкубаційному періоді і стаціонарної стадії).
В інкубаційному періоді, гелій збільшує розпухання за рахунок більш раннього зародження пор. На стаціонарній стадії, гелій знижує розпухання, оскільки за високої концентрації пор значно зменшується їх розмір.
У різних матеріалах, вплив гелію має схожу тенденцію. Як і гелій, водень також ефективний в прискоренні початку розпухання, проте має менший вплив на зародження пор. Це може призвести навіть до збільшення розпухання на стаціонарній стадії за рахунок помірного зростання концентрації пор. Результати розширюють розуміння фундаментальних радіаційних явищ і пов'язаних з ними радіаційних наслідків, таких як розпухання і фазова нестабільність, а також використання цих знань для розробки радіаційно-стійких сплавів для реакторів майбутніх поколінь.

Tirr = 480°C
Tirr = 450°C

Вивчено вплив радіаційного пошкодження на утримання та вихід водню і гелію з аустенітних та ферритно-мартенситних сталей. Показано, що основним фактором в утриманні гелію є його енергія зв'язку з дефектами. Ефективність захоплення дейтерію в області ушкоджень зміщення зменшується на два порядки за підвищених температур опромінення.

На енергоблоках Південно-Української (ПУ) АЕС виконано комплекс робіт з діагностичного контролю металу обладнання та трубопроводів. Встановлено основні причини і механізми руйнування зварних з'єднань №111 приварки колектора до корпусу парогенератора. Показано визначну роль водню, міді і технології виготовлення в процесах утворення та розвитку несуцільностей в умовах тривалої експлуатації. Встановлено, що в шламових відкладеннях парогенератора ПГВ-1000 (енергоблок №3 ПУ АЕС) вміст міді в умовах морфолінового режиму в 5 - 7 разів менший, ніж в умовах штатного аміачного водно-хімічного режиму.

Досвід, накопичений при діагностиці та контролі металу обладнання та трубопроводів АЕС, використано для вирішення проблем теплових електростанцій (ТЕС). Встановлено, що причиною руйнування котла Старобешівської ТЕС (блок №5) під час низькотемпературних випробувань, було підвищення температури крихко-в'язкого переходу сталі за тривалої експлуатації до 70°С. За допомогою методики мікрозразків, без порушення міцності і цілісності виробу, визначено температуру крихко-в'язкого переходу барабану котла Луганської ТЕС (блок №9), а також обгрунтовано його працездатність при подовжені терміну експлуатації.

З метою визначення причин і механізмів утворення «внутрішніх» несуцільностей (без наскрізних тріщин), вперше виконано комплекс досліджень на темплеті, вирізаному під час ремонту зварного з'єднання приварки колектора до корпусу парогенератора (№111) на енергоблоці №3 ПУ АЕС. Показано, що зародження і розвиток дефектів починається з вкраплень карбіду кремнію, внесених до металу при зварюванні. Саме з цих вкраплень і розвиваються тріщини при охолодженні енергоблоку з високою швидкістю. Рекомендовано повільну контрольовану зупинку енергоблоку під час планово-попереджувального ремонту в холодну пору року.


Для обґрунтування безпечної експлуатації корпусу реактора АЕС розроблено, виготовлено і випробувано на стенді ПУ АЕС оптико-механічний модуль для одночасного визначення залишкових напруг і твердості металу корпусу реактора ВВЕР-1000. Методику буде впроваджено в якості експлуатаційного контролю корпусів реакторів, устаткування і трубопроводів енергоблоків АЕС України.


Утримання дейтерію у сталі 316 на різних дефектних структурах
З використанням спеціального комплексу методик, отримано дані щодо еволюції дефектної мікроструктури і рівнів накопичення, а також температурних інтервалів вмісту атомів газових домішок в аустенітних і ферритно-мартенситних сталях. Визначено термодинамічні параметри систем «метал-гелій» і «метал-водень». Встановлено суттєвий вміст водню в пастках, пов'язаних з гелієвими бульбашками і пустотами. Це підтверджує дані, отримані для опромінених в легководних реакторах нержавіючих сталей.
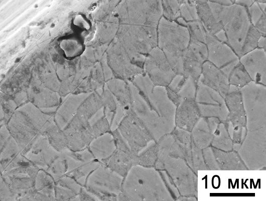
Вперше у світовій практиці, на металі головного циркуляційного трубопроводу (ГЦТ) реактора ВВЕР-1000 після 32 років експлуатації з використанням сучасних прямих методів, проведено дослідження еволюції структурно-фазових змін металу. Виявлено ознаки старіння металу після тривалої експлуатації: зміни в структурі як за розмірами середньої величини зерна, так і складу зернистого і пластинчастого перліту. Виявлено зменшення середнього розміру виділень карбідів і їх розташування на границях зерен. Результати контролю механічних властивостей і ударної в'язкості (без порушення цілісності ГЦТ) спільно зі структурними дослідженнями дозволили подовжити термін експлуатації ГЦТ енергоблоку №1 ПУ АЕС до 2031 р. (технічне рішення ТР.1.0019.3827 від 02.12.2016 р.).




Розроблено, виготовлено та випробувано установку для визначення температури в'язко-крихкого переходу на малорозмірних зразках. Зразки вирізалися на діючих енергоблоках АЕС і ТЕС без порушення цілісності і міцності обладнання та трубопроводів. Установка дозволяє виявити небезпеку виникнення і поширення крихких тріщин.

Корозія сталі 20 у стояночному режимі
Встановлено причини протікання трубопроводів системи технічної води відповідальних споживачів на ПУ АЕС. Показано, що наявність наднормативної кількості неметалевих включень у сталі ст. 20 сучасного виробництва призводить до утворення і розвитку корозійних дефектів, а також подальшого руйнування труб. Показано, що метод магнітної пам'яті металу дозволяє контролювати не тільки дефекти, а й наявність у трубах неметалічних включень.
Виконано контроль структури та властивостей феррито-перлітних сталей марок ст. 20, ст. 16ГС після 30 років роботи в системі теплообміну першого блоку ПУ АЕС. Методами світлової, електронної мікроскопії та температурно-залежного внутрішнього тертя в трубних сталях, виявлено зміни субструктури перліту, які зумовлюють розвиток локальної корозії та руйнування трубопроводів в умовах експлуатації. Запропоновано модернізувати діючі процедури зонально-періодичного контролю теплообмінного обладнання енергоблоку ВВЕР-1000 за рахунок вдосконалення методів температурно-залежного внутрішнього тертя і магнітної пам'яті металу.

Мікроструктурні дослідження, дані питомого електроопору та десорбції водню з основного металу «холодної» нитки циркуляційної петлі ГЦТ енергоблоку №1 ПУ АЕС вказують на очищення зерен від домішок і їх концентрацію на границі. На підвищену концентрацію домішок на границі зерен вказує також розширення піку внутрішнього тертя від домішок.
Залежність швидкості термодесорбції водню
Внутрішнє тертя
Створено та досліджено нанокристалічні пористі тонкоплівкові Nх абсорбенти (V, Те, Mg), здатні за короткий проміжок часу (до 100 с) акумулювати більше, ніж 7 вес.% водню за відносно низького тиску (0,3 - 0,4 МПа). Гравіметричні і кінетичні характеристики плівок відповідають вимогам Міністерства енергетики США (USA Department of Energy (DOE)).


Вперше встановлено вплив потужності стоків на розпухання дисперсно-зміцнених оксидами (ДЗО) аустенітних сталей при опроміненні важкими іонами. Показано, що додавання ZrO2 і нанооксидів Y2O3 при виготовленні ДЗО-сталі призводить до суттєвого зменшення розміру зерна і виділень вторинних оксидів, а також підвищує рівномірність розподілу оксидів по зразку. Зменшення розміру зерна і виділень вторинних оксидів призводить до зниження розпухання в більш ніж 5 разів. Придушення розпухання зумовлено зростанням ймовірності рекомбінації точкових радіаційних дефектів на стоках, якими є межі розділу «нанооксид-матриця» та границі зерен. При цьому, потужність стоків за рахунок оксидів складає ∼ 4,86×1014 м-2, що майже в 35 разів більше потужності стоків (∼ 1,41×1013 м-2), яка забезпечується границями зерен за їх середніх розмірів на рівні ∼ 1,2 мкм.

На підставі статистичного аналізу даних багаторічного контролю теплообмінних труб (ТОТ) парогенераторів ПУ АЕС і металознавчих досліджень, встановлено механізм більшості експлуатаційних пошкоджень труб – розтріскування під дією корозійної втоми. Зародками тріщин є неметалеві включення карбонітридів титану на поверхні ТОТ (08Х18Н10Т). Зростання тріщин стимулюється за допомогою розтягуючих напружень, що виникають в результаті вібрацій труб у вузлах кріплень. Обгрунтовано пропозиції щодо оптимізації контролю ТОТ, запропоновано підходи до глушіння дефектних ТОТ.

З використанням комплексу експериментальних методик (які дають можливість чисельно контролювати кінетику накопичення, розподіл в об'ємі і термоактивовану десорбцію іонно-імплантованих атомів газу) вперше встановлено, що поведінка водню, його масоперенос і накопичення в конструкційній сталі 316 визначаються комплексним впливом радіаційно-індукованої структури, станом поверхні і наявністю гелію. Вперше встановлено кореляцію між структурою, що розвивається при опроміненні, і рівнем накопичення ізотопів водню. Показано, що для нейтралізації шкідливого впливу водню і підвищення стійкості матеріалів до водневої деградації в разі впливу терморадіаційних полів, ключового значення набуває концепція використання сильних «корисних» водневих пасток, здатних надійно утримувати водень протягом всього терміну служби ядерного об'єкта в усьому діапазоні робочих температур.
Критичні рівні накопичення водню
Енергія зв'язку водню з пастками
Вперше показано, що радіаційне зміцнення сталі 316 зумовлене консервативною природою петель Франка, що стримують рух дислокацій, і є функцією дози опромінення та досягає квазінасичення при радіаційному пошкодженні на рівні ∼ 1 сна. Гелій і водень, за імплантації їх до концентрацій більше 1 ат.% підсилюють міцність, зумовлену дислокаційним компонентом, на 20 - 30%. Два ці фактори (петлі Франка і гелій/водень) підвищують міцність і границю текучості в ∼ 1,8 рази. Сукупність отриманих результатів є кроком вперед на шляху створення фундаментальних основ взаємозв'язку механічних властивостей з радіаційно-індукованою мікроструктурою матеріалів, що розвивається при різних радіаційних впливах.
Дозова залежність зміцнення

Визначення типу дислокаційних петель
Дослідження механізмів структурно-фазової еволюції матеріалів ядерної енергетики за радіаційного впливу. Розробка принципів створення матеріалів з високою радіаційною стійкістю.
Експериментальне вивчення властивостей твердих тіл, які перебувають під впливом плазми та пучків заряджених частинок. Предметом досліджень є: радіаційне пошкодження; концентрація гелію та водню; закономірності утворення дефектів; іонно-індуковані перетворення; радіаційні явища в залежності від характеристик і умов опромінення.
Виконання робіт на енергоблоках АЕС України для забезпечення безпечної роботи металу обладнання, трубопроводів та подовження призначеного терміну експлуатації.
Використання методу гарячої прокатки у вакуумі для створення композитних матеріалів і виробів з екстремально поліпшеними фізико-механічними характеристиками. Розробка і дослідження перехідникових біметалів типу «тугоплавкий метал-сталь», інструментальних біметалів типу «швидкоріжуча сталь-конструкційна сталь», багатошарових радіаційно-абсорбуючих композитів, наноструктурованих композитів різного функціонального призначення.
| 1. | A.G. Guglya, Yu.A. Marchenko, E.S. Melnikova, V.V. Vlasov, E.N. Zubarev. Thin Film Nanopores (V, 10Ti)NxHy Hydrogen Storages. Problems of Atomic Science and Technology. Series «Physics of Radiation Effect and Radiation Materials Science». 2014, No. 2(90), p. 162 - 166. |
|---|---|
| 2. | A. Guglya, I. Marchenko. Ion Beam-assisted Deposition Technology as a Method of Nanocrystalline Coating Formation. Problems of Atomic Science and Technology. Series «Physics of Radiation Effect and Radiation Materials Science». 2014, No. 2(90), p. 125 - 136. |
| 3. | А. Гугля, Е. Мельникова. Перспективы использования тонкопленочных комплексных гидридов ванадия для создания твердотельных накопителей водорода. Обзор. Харьков. 2014, 34 с. |
| 4. | В.М. Аржавитин, Б.В. Борц, А.Ф. Ванжа, Н.Д. Рыбальченко, В.И. Сатин. Влияние микролегирования иттрием на релаксационные свойства меди. Фізико-хімічна механика матеріалів. 2014, №3, с. 97 - 100. |
| 5. | И.М. Неклюдов, Б.В. Борц, И.М. Короткова, В.И. Ткаченко. Примечательные явления природы: Ленгмюровские циркуляции. Методические указания к курсу «Ресурсосберегающие и экологически чистые технологии», Харьков: ХНУ им.В.Н.Каразина. 2014, 28 с. |
| 6. | С.В. Габелков, Р.В. Тарасов, Н.С. Полтавцев, Е.П. Березняк, А.В. Пилипенко, А.Г. Миронова, В.В. Макаренко. Спекание магний-алюминиевой шпинели – инертной матрицы для изоляции высокоактивных отходов. Вопросы атомной науки и техники. Серия «Физика радиационных повреждений и радиационное материаловедение». 2014, №2(90), с. 107 - 110. |
| 7. | Е.П. Березняк, И.В. Колодий, А.В. Мазилов, Л.А. Саенко. Влияние облучения электронами и гамма-квантами на структуру и фазовый состав природного пирофиллита. Вопросы атомной науки и техники. Серия «Физика радиационных повреждений и радиационное материаловедение». 2014, №4(92). с. 23 - 30. |
| 8. | А.В. Никитин, В.В. Ружицкий, И.М.Неклюдов, Г.Д.Толстолуцкая, И.Е.Копанец. Влияние деформации на возникновение трещин в стали Х13М2БФР под действием потока ионов водорода. Вопросы атомной науки и техники. Серия «Физика радиационных повреждений и радиационное материаловедение». 2014, №2(90), с. 34 - 38. |
| 9. | Г.Д. Толстолуцкая, И.Е. Копанец, В.В. Ружицкий, В.А. Белоус, А.В. Никитин. Элементный состав и толщины покрытий для защиты сплава Zr1Nb от насыщения водородом. Вопросы атомной науки и техники. Серия «Чистые материалы и вакуумные технологии». 2014, №1(89), с. 184 - 188. |
| 10. | V.N. Voyevodin, V.V. Bryk, A.S. Kalchenko, I.M. Neklyudov, G.D. Tolstolutskaya. Simulation Technologies in Modern Radiation Material Science. Problems of Atomic Science and Technology. Series «Physics of Radiation Effect and Radiation Materials Science». 2014, №4(92), p. 3 - 22. |
| 11. | S.A. Karpov, I.E. Kopanets, V.V. Ruzhytskyi, B.S. Sungurov, G.D. Tolstolutskaya. Cooperative Effect of Displacement Damage and Inert Gas Impurities on Deuterium Retention in Austenitic and Ferritic-martensitic Steels. Problems of Atomic Science and Technology. Series «Physics of Radiation Effect and Radiation Materials Science». 2014, №4(92), p. 31 - 37. |
| 12. | В.Н. Воеводин, Л.С. Ожигов, А.С. Митрофанов, Г.Д. Толстолуцкая, В.В. Брык, Р.В. Василенко, В.В. Ружицкий, Е.А. Крайнюк, А.В. Бажуков, П.Е. Мельник, А.Н. Палий. Внутренние несплошности в швах сварных соединений приварки коллекторов к патрубкам корпусов парогенераторов на энергоблоках ВВЭР-1000. Тяжелое машиностроение. 2014, №11, с. 21 - 28. |
| 13. | Л.С. Ожигов, П.М. Вьюгов, В.И. Савченко, О.Е. Кожевников, А.Г. Руденко. Механические свойства высокочистого гафния. Вопросы атомной науки и техники. Серия «Чистые металлы, сверхпроводимость». 2014, №1(89), с. 60 - 63. |
| 14. | В.Н. Воеводин, Л.С. Ожигов, А.С. Митрофанов, С.В. Шрамченко, Е.А. Крайнюк. Идентификация несплошностей в металле сварного соединения корпуса парогенератора с коллектором на энергоблоках ВВЭР-1000. Вопросы атомной науки и техники. Серия «Физика радиационных повреждений и радиационное материаловедение». 2014, №4(92), с. 82 - 87. |
| 15. | И.М. Неклюдов, В.Н. Воеводин, И.Н. Лаптев, А.А. Пархоменко. О влиянии облучения на упругие модули металлических материалов. Вопросы атомной науки и техники. Серия «Физика радиационных повреждений и радиационное материаловедение». 2014, №2(90), с. 21 - 29. |
| 16. | Л.С. Ожигов, А.С. Митрофанов, В.И. Савченко, П.Н. Вьюгов, Е.А. Крайнюк. Определение пластичности металлических труб малых диаметров в тангенциальном направлении. Заводская лаборатория. Диагностика материалов. 2014, №3, т. 80, с. 60 - 62. |
| 17. | I.M. Laptev, O.O. Parkhomenko. «Paradox» of the void nucleation. East European Journal of Physics. 2014, No. 3, p. 113 - 120. |
| 18. | В.Д. Рисованный, Б.А. Шиляев, А.А. Васильев, К.В. Ковтун. Параметры и структура первичного радиационного повреждения гафния в активной зоне ядерного реактора. Scietific Conference «New Materials for Innovative Development of Nuclear Power Engineering». Димитровград, 2014, с. 18 - 21. |
| 19. | К.В. Ковтун, Б.А. Шиляев. Математическое моделирование радиационного повреждения гафния в активной зоне ядерного реактора деления. Препринт ННЦ ХФТИ 2014-1. Харьков: ННЦ ХФТИ. 54 с. |
| 20. | M.B. Toloczko, F.A. Garner, V.N. Voyevodin, V.V. Bryk, O.V. Borodin, V. Mel’nychenko, A.S. Kalchenko. Ion-induced Swelling of ODS Ferritic Alloy MA957 Tubing to 500 dpa. Journal of Nuclear Materials. 2014, v. 453, p. 323 - 333. |
| 21. | V. Novikov, V. Shishov, A. Shevyakov, V. Voevodin, O. Borodin, V. Bryk, R. Vasilenko. Investigation of the Microstructure of Zirconium Alloys Irradiated by Zirconium Ions in an Accelerator. Atomic Energy. 2014, v. 115, Iss. 5, p. 307 - 312. |
| 22. | A.S. Kuprin, V.A. Belous, V.N. Voyevodin, V.V. Bryk, R.L. Vasilenko, V.D. Ovcharenko, G.N. Tolmachova. High-temperature Air Oxidation of E110 and Zr-1Nb Alloys Claddings with Coatings. Problems of Atomic Science and Technology. Series «Vacuum, Pure Materials, Superconductors». 2014, No. 1(89), p. 126 - 132. |
| 23. | А.N. Velikodnyi, V.N. Voyevodin, M.A. Tiкhonovsky, V.V. Bryk, A.S. Kalchenko, S.V. Starostenko, I.V. Kolodiy, V.S. Okovit, А.М. Bovda, L.V. Onischenko, G.Ye. Storogilov. Structure and Properties of Austenitic Steel 08Cr18Ni10Ti. Problems of Atomic Science and Technology. Series «Physics of Radiation Effect and Radiation Materials Science». 2014, No. 4(92), p. 94 - 102. |
| 24. | А.В. Пермяков, В.В. Мельниченко, В.В. Брык, В.Н. Воеводин, Ю.Э. Куприянова. Устройство для моделирования эффектов взаимодействия нейтронных потоков с материалами ядерных реакторов. Вопросы атомной науки и техники. Серия «Физика радиационных повреждений и радиационное материаловедение». 2014, №2(90), с. 180 - 186. |
| 25. | Н.А. Азаренков, Р.Л. Василенко, В.Г. Кириченко, Т.С. Потина. Исследование характеристик сплавов циркония при окислении в газовой среде. Вопросы атомной науки и техники. Серия «Физика радиационных повреждений и радиационное материаловедение». 2014, №2(90), с. 97 - 102. |
| 26. | А.С. Куприн, В.А. Белоус, В.Н. Воеводин, В.В. Брык, Р.Л. Василенко, В.Д. Овчаренко, Г.Н. Толмачёва, П.Н. Вьюгов. Высокотемпературное окисление на воздухе оболочек из циркониевых сплавов Э110 и Zr-1Nb с покрытиями. Вопросы атомной науки и техники. Серия «Вакуум, чистые материалы, сверхпроводники». 2014, №1(89) с. 126 - 132. |
| 27. | В.Ф. Коршак, Ю.А. Шаповалов, О. Примак, А.П. Крышталь, Р.Л. Василенко. Структурные изменения в эвтектическом сплаве Bi-43 вес.%Sn в условиях сверхпластической деформации. Физика металлов и металловедение. 2011, т. 112, №1, с. 75 - 84. |
| 28. | В. Власов, А. Гугля, Ю. Марченко, Е. Мельникова. Абсорбция водорода тонкими пленками. Обзор. Успехи физики металлов. 2015, т. 16, №2, с. 85 - 117. |
| 29. | А.С. Куприн, В.А. Белоус, В.В. Брык, Р.Л. Василенко, В.Н. Воеводин, В.Д. Овчаренко, Г.Н. Толмачёва, И.В. Колодий, В.М. Лунёв, И.О. Клименко. Вакуумно-дуговые хромовые покрытия для защиты сплава Zr-1Nb от высокотемпературного окисления на воздухе. Вопросы атомной науки и техники. Серия «Физика радиационных повреждений и радиационное материаловедение». 2015, №2(96), с. 111 - 118. |
| 30. | Г.Д. Толстолуцька, І.Є. Копанець, В.В. Ружицький, В.А. Білоус, О.С. Купрін, В.Д. Овчаренко, Р.Л. Василенко, С.О. Леонов. Зниження насичення воднем цирконієвих сплавів при модифікації поверхні комплексною іонно-плазмовою обробкою. Вопросы атомной науки и техники. Серия «Физика радиационных повреждений и радиационное материаловедение». 2015, №2(96), с. 119 - 123. |
| 31. | Г.Н. Толмачёва, Г.Д. Толстолуцкая, С.А. Карпов, Б.С. Сунгуров, Р.Л. Василенко. Применение метода наноидентирования для исследования радиационной повреждаемости стали 316. Вопросы атомной науки и техники. Серия «Физика радиационных повреждений и радиационное материаловедение». 2015б №5(99), с. 168 - 173. |
| 32. | Y. Kupriianova, V.V. Bryk, A.S. Kalchenko, V.N. Voyevodin. Single and Dual Ion Irradiation Effects on Swelling Behavior of EP-450 Ferritic-martensitic Steel. East European Journal of Physics. 2014, v. 2, No. 1, p. 46 - 52. |
| 33. | A. BShevtsov, V.V. Bryk, Y. Kupriianova, V.N. Voyevodin. Facility for Modeling the Interactions Effects of Neutron Fluxes with Materials of Nuclear Reactors: Main Characteristics and Capabilities. Problems of Atomic Science and Technology. Series «Physics of Radiation Effect and Radiation Materials Science». 2015, No. 2(96), p. 186 - 189. |
| 34. | L.S. Ozhigov, N.N. Pilipenko, P.N. V'jugov, V.I. Savchenko, A.G. Rudenko, Y.A. Krainyuk, R.V. Azhazha, O.E. Kozhevnikov. Pecularities of Mechanical Properties of High-purity and Iodide Hafnium in Temperature Range 20 - 900°C. East European Journal of Physics. 2015, v. 2, No. 1, p. 60 - 62. |
| 35. | Л.С. Ожигов, А.С. Митрофанов, В.В. Ружицкий, Г.Д. Толстолуцкая, Н.Д. Рыбальченко, Е.А. Крайнюк. Водород в металле многослойного варного шва приварки еоллектора к корпусу парогенератора в энергоблоке ВВЭР-1000. Вопросы материаловедения. 2015, №2(82), с. 143 - 150. |
| 36. | Б.С. Сунгуров, Г.Д. Толстолуцкая, С.А. Карпов, И.Е. Копанец, В.В. Ружицкий, А.В. Никитин, Г.Н. Толмачева. Взаимодействие дейтерия с аустенитной нержавеющей сталью SS316. Вопросы атомной науки и техники. Серия «Физика радиационных повреждений и радиационное материаловедение». 2015, №2(96), с. 29 - 34. |
| 37. | И.Е. Копанец, Г.Д. Толстолуцкая, А.В. Никитин, В.А. Белоус, А.С. Куприн, В.Д. Овчаренко, Р.Л. Василенко. Влияние покрытий Cr, Cr-N и Cr-Ox на удержание и проникновение дейтерия в сплавы циркония Zr-1Nb. Вопросы атомной науки и техники. Серия «Физика радиационных повреждений и радиационное материаловедение». 2015, №5(99), c. 81 - 86. |
| 38. | A. Guglya, I. Marchenko. Ion Beam-assisted Deposition. In book: Comprehensive Guide for Nanocoatings Technology. v.1. Deposition and mechanisms. NOVA press, USA. 2015, p. 45 - 69. |
| 39. | В. Власов, А. Гугля, Ю. Марченко, Е. Солопихина (Мельникова), Е. Зубарев. Влияние газовых молекул из атмосферы на абсорбцию водорода нанокристаллическими пористыми (V,10 ат.%Ti)Nx плёнками. Металлофизика и новейшие технологии. 2016, т. 38, №3, с. 355 - 367. |
| 40. | Г.Д. Толстолуцкая, А.В. Никитин, В.В. Ружицкий, Н.Д. Рыбальченко, Р.Л. Василенко, И.М. Короткова. Развитие трещин в ферритной стали при облучении водородной плазмой. Вопросы атомной науки и техники. Серия «Физика радиационных повреждений и радиационное материаловедение». 2016, №2(102), с. 25 - 32. |
| 41. | С.О. Карпов, Г.Д. Толстолуцька, Б.С. Сунгуров, А.Ю. Ростова, Г.М. Толмачева, І.Є. Копанець. Радіаційне зміцнення нержавної сталі SS316, індуковане опроміненням іонами аргону. Фізико-хімічна механіка матеріалів. 2016, т. 52, №3, с. 74 - 80. |
| 42. | A.V. Nikitin, G.D. Tolstolutskaya, V.V. Ruzhytskiy, I.E. Kopanets, S.A. Karpov, R.L. Vasilenko, G.Y. Rostova, N.D. Rybalchenko. Temperature Dependence of Surface Topography and Deuterium Interaction with a Pure α-Fe Exposed to Low-energy High-flux D Plasma. Problems of Atomic Science and Technology. Series «Plasma Physics». 2016, No. 6(106), p. 117 - 120. |
| 43. | В.М. Лунёв, А.С. Куприн, В.Д. Овчаренко, В.А. Белоус, А.Н. Морозов, А.В. Ильченко, Г.Н. Толмачёва, Е.Н. Решетняк, Р.Л. Василенко. Структура и свойства покрытий W, Ta и W-Ta, синтезированных с помощью источника газовой плазмы. Вопросы атомной науки и техники. Серия «Вакуум, чистые материалы, сверхпроводники». 2016, №1(101), с. 140 - 144. |
| 44. | Л.С. Ожигов, В.Н. Воеводин, А.С. Митрофанов, Р.Л. Василенко. Виды и анализ дефектов в узлах приварки коллекторов к корпусам парогенераторов на энергоблоках c ВВЭР-1000. Теплоэнергетика. 2016, №10, с. 63. |
| 45. | Н.Н. Белаш, И.А. Чернов, В.В. Зигунов, В.А. Зуек, Ф.А. Пасенов, Е.П. Березняк. Исследование коррозионной стойкости и механических свойств таблеток гафната диспрозия. Вопросы атомной науки и техники. Серия «Вакуум, чистые материалы, сверхпроводники». 2016, №1(101), с. 167 - 170. |
| 46. | Н.Н. Белаш, И.А. Чернов, В.А. Зуек, В.В. Зигунов, Е.П. Березняк, И.В. Колодий. Коррозионная стойкость гафната диспрозия в теплоносителе реактора ВВЭР-1000. Сборник трудов «Проблемы коррозии и противокоррозионной защиты материалов». Спецвыпуск журнала «Физико-химическая механика материалов». Львов 2016, №11, с. 24 - 29. |
| 47. | М. Грицына, С.П. Клименко, А.А. Пархоменко, Т.П. Черняева. Радиационный рост титанового сплава ВТ1-0 при протонном облучении. Вопросы атомной науки и техники. Серия «Физика радиационных повреждений и радиационное материаловедение». 2016, №2(102), с. 10 - 16. |
| 48. | О.О. Пархоменко, В.М. Воєводін, Л.С. Ожигов, І.М. Лаптєв, В.І. Савченко, Ю.Е. Куприянова. Механізми радіаційної крихкості сталей ЕІ-852 та ЕП-450 опромінених до доз 10 - 100 зна. Фізико-хімічна механіка матеріалів. 2016, т. 2, №1, с. 44 - 50. |
| 49. | Л.С. Ожигов, А.С. Митрофанов, В.Н. Воеводин. Коррозия второго контура энергоблоков АЭС с ВВЭР-1000. Физико-химическая механика материалов. 2016, №5, с. 48 - 54. |
| 50. | V.N. Voyevodin, S.A. Karpov, I.E. Kopanets, V.V. Ruzhytskyi, G.D. Tolstolutskaya, F.A. Garner. Influence of Displacement Damage on Deuterium and Helium Retention in Austenitic and Ferritic-martensitic Alloys Considered for ADS Service. Journal of Nuclear Materials. 2016, v. 468, p. 274 - 280. |
| 51. | S.A. Karpov, I.E. Kopanets, B.S. Sungurov, G.D. Tolstolutskaya, A.S. Kalchenko. Microstructure Evolution and Deuterium Retention in SS316 Steel Irradiated with Heavy Ions, Helium and Hydrogen. East European Journal of Physics. 2015, v. 2, No. 4, p. 72 - 79. |
| 52. | A.V. Nikitin, G.D. Tolstolutskaya, V.V. Ruzhytskyi, V.N. Voyevodin, I.E. Kopanets, S.A. Karpov, R.L. Vasilenko, F.A. Garner. Blister Formation on 13Cr2MoNbVB Ferritic-martensitic Steel Exposed to Hydrogen Plasma. Journal of Nuclear Materials. 2016, v. 478, p. 26 - 317. |
| 53. | S.A. Karpov, G.D. Tolstolutskaya, B.S. Sungurov, A.Yu. Rostova, G.N. Tolmacheva, I.E. Kopanets. Hardening of SS316 Stainless Steel Caused by the Irradiation with Argon Ions. Materials Science. 2016, v. 52, Iss. 3, p. 377 - 384. |
| 54. | O. Morozov, V. Zhurba, I. Neklyudov, O. Mats, V. Progolaieva, V. Boshko. Structural Transformations in Austenitic Stainless Steel Induced by Deuterium Implantation: Irradiation at 295 K. Nanoscale Research Letters. 2016, 11:44, 13 p. |
| 55. | A. Guglya, E. Lyubchenko, Yu. Marchenko, E.S olopikhina, V. Vlasov. Crystal Lattice of Solid Body Can Store Simultaneously Both Molecules and Фtoms of Рydrogen in Quantities. International Journal of Hydrogen Energy. 2016, v. 41, p. 9410 - 9417. |
| 56. | A. Guglya, A. Kalchenko, E. Solopikhina, V. Vlasov, E. Lyubchenko. Nanocrystalline Porous Thin Film VNx Hydrogen Absorbents: Method of Production, Structure and Properties. Journal of Advances in Nanomaterials. 2016, v. 1, No. 1, р. 1 - 10. |
| 57. | I.M. Laptev, O.O. Parkhomenko, V.I. Tkachenko. The Dualism of the Vacancies Nature in Nonequilibrium Systems. East European Journal of Physics. 2016, v. 3, No. 1, p. 41 - 48. |
| 58. | O.O. Parkhomenko, V.M. Voevodin, V.V. Bryk, Yu.E. Kupriyanova, I.M. Laptev, L.S. Ozhygov, V.I. Savchenko. Specific Features of the Radiation Brittleness of EI-852 and EP-450 Steels Irradiated Up to Doses of 10 - 100 dpa. Materials Science. 2016, v. 52, Iss. 1, p. 42 - 49. |
| 59. | Y.E. Kupriiyanova, V.V. Bryk, O.V. Borodin, A.S. Kalchenko, V.N. Voyevodin, G.D. Tolstolutskaya, F.A. Garner. Use of Double and Triple-ion Irradiation to Study the Influence of High Levels of Helium and Hydrogen on Void Swelling of 8-12%Cr Ferritic-martensitic Steels. Journal of Nuclear materials. 2016, v. 468, p. 264 - 273. |
| 60. | А.А. Пархоменко, Н.Г. Шевченко, Н.И. Айзацкий, Л.С. Ожигов, А.Н. Буки. Исследование атомных ядер электронами и фотонами с энергией до 300 МэВ. Монографія. Харків, «Міська друкарня». 2017. |
| 61. | Л.С. Ожигов А.С. Митрофанов Г.Д. Толстолуцкая, Р.Л. Василенко, А.Г. Руденко, В.В. Ружицкий, Н.Д. Рыбальченко, С.В. Шрамченко. Комплексные исследования металла барабанов котлов тепловых электростанций. Теплоэнергетика. 2017, №5, с. 40 - 47. |
| 62. | С.В. Гоженко, Л.С. Ожигов. Определение температуры вязкохрупкого перехода малой пробы металла акустико-эмиссионным методом. Вопросы атомной науки и техники. Серия «Физика радиационных повреждений и радиационное материаловедение». 2017, №2(108), с. 190 - 193. |
| 63. | B.A. Shylyaev, A.L. Ulybkin, A.V. Rybka, K.V. Kovtun, V.E. Kutny, A.O. Pudov, K.V. Kutny. Compton Detector of Neutrons for Energy Yield Cоntrol in Active Zone of WWER. Problems of Atomic Science and Technology. Series «Physics of Radiation Effect and Radiation Materials Science». 2017, No. 2(108), p. 75 - 82. |
| 64. | В.Н. Воеводин, А.С. Митрофанов, Л.С. Ожигов, Р.Л. Василенко, Н.Д. Рыбальченко, С.В. Гоженко, Е.А. Крайнюк. Эволюция микроструктуры металла главного циркуляционного трубопровода реактора ВВЭР-1000 в процессе его длительной эксплуатации. Вопросы материаловедения. 2017, №4(92). |
| 65. | В.Н. Воеводин, О.И. Волчок, Л.С. Ожигов, В.С. Оковит, Л.А. Чиркина. Влияние ультразвукового воздействия на релаксационные процессы и радиационное охрупчивание в корпусных сталях. Вопросы атомной науки и техники. Серия «Физика радиационных повреждений и радиационное материаловедение». 2017, №2(108), с. 3 - 13. |
| 66. | Б.А. Шиляев, А.Л. Улыбкин, А.В. Рыбка, К.В. Ковтун, В.Е. Кутний, А.О. Пудов, К.В. Кутний. Комптоновский детектор нейтронов для контроля энерговыделения в активной зоне ВВЭР. Вопросы атомной науки и техники. Серия «Физика радиационных повреждений и радиационное материаловедение». 2017, №2(108), c. 75 - 82. |
| 67. | Л.С. Ожигов, В.А. Белоус, В.И. Савченко, Г.И. Носов, В.Д. Овчаренко, Г.Н. Толмачeва, А.С. Куприн, В.С. Голтвяница. Роль наноструктурирования поверхностных слоев в повышении механических и коррозионных свойств реакторных материалов. Вопросы атомной науки и техники. Серия «Физика радиационных повреждений и радиационное материаловедение». 2017, №2(108), c. 168 - 172. |
| 68. | С.В. Гоженко, Л.С. Ожигов. Определение температуры вязкохрупкого перехода малой пробы металла акустико-эмиссионным методом. Вопросы атомной науки и техники. Серия «Физика радиационных повреждений и радиационное материаловедение». 2017, №2(108), c. 190 - 193. |
| 69. | Л.С. Ожигов, А.С. Митрофанов, Н.Д. Рыбальченко, Е.А. Крайнюк, Р.Л. Василенко, С.В. Шрамченко. Влияние неметаллических включений в низколегированной углеродистой стали на ресурс трубопроводов АЭС. Вопросы атомной науки и техники. Серия «Физика радиационных повреждений и радиационное материаловедение». 2017, №4(110), с. 59 - 64. |
| 70. | L.S. Ozhigov, A.S. Mitrofanov, V.N. Voevodin. Corrosion of the Second Contour of Power-Generating Units of Nuclear Power Plants with WWER-1000 Reactors. Materials Science. 2017, v. 52, Iss. 5, p. 654 - 660. |
| 71. | Г.Д. Толстолуцкая, А.Ю. Ростова, В.Н. Воеводин, А.Н. Великодный, М.А. Тихоновский, Г.Н. Толмачева, А.С. Кальченко, Р.Л. Василенко, И.Е. Копанец. Радиационное упрочнение высокоэнтропийных сплавов Cr-Fe-Mn-Ni, индуцированное облучением ионами аргона. Вопросы атомной науки и техники. Серия «Физика радиационных повреждений и радиационное материаловедение». 2017, №5(111), с. 40 - 47. |
| 72. | Г.Д. Толстолуцька, А.С. Купрін, В.М. Воєводін, А.В. Нікітін, В.Д. Овчаренко, В.А. Білоус, Р.Л. Василенко, І.Є. Копанець. Блістерінг W-, Та- і W-Та-покриттів під дією потоку частинок низькоенергетичної водневої плазми. Вопросы атомной науки и техники. Серия «Физика радиационных повреждений и радиационное материаловедение». 2017, №5(111), с. 83 - 90. |
| 73. | A.V. Nikitin, G.D. Tolstolutskaya, V.V. Ruzhytskiy, I.E. Kopanets, S.A. Karpov, R.L. Vasilenko, G.Y. Rostova, N.D. Rybalchenko, B.S. Sungurov. Application of Hydrogen Embritlement Models to the Blister Growth Behavior in 12Cr2MoNbVB Steel And α-Fe Exposed to Low-energy D Plasma. Problems of Atomic Science and Technology. Series «Physics of Radiation Effect and Radiation Materials Science». 2017, №2(108), p. 22 - 28. |
| 74. | С.Ю. Саенко, А.С. Ваг, В.А. Шкуропатенко, Е.П. Березняк, Ю.С. Ходырева, Р.В. Тарасов, В.Д. Вирич, Е.А. Улыбкина, А.В. Пилипенко, Г.А. Холомеев, А.В. Зыкова. Иммобилизация цезия в калий-магний-фосфатную матрицу. Вопросы атомной науки и техники. Серия «Физика радиационных повреждений и радиационное материаловедение». 2017, №4(110), с. 65 - 73. |
| 75. | E.P. Bereznyak, N.P. Dikiy, Yu.V. Lyashko, E.P. Medvedeva, D.V. Medvedev, V.L. Uvarov, I.D. Fedorets, Y.S. Hodyreva. Gamma Radiation Influence on Structure of Struvite-K. Problems of Atomic Science and Technology. Series «Nuclear Physics Investigations». 2017, No. 6(112), p. 122 - 125. |
| 76. | S.A. Karpov, G.D. Tolstolutskaya, B.S. Sungurov, V.V. Ruzhytskiy. Microstructure Evolution and Deuterium Trapping in Low-energy Cascades After Irradiation of SS316 Stainless Steel. Problems of Atomic Science and Technology. Series «Physics of Radiation Effect and Radiation Materials Science». 2017, No. 2(108). p. 36 - 40. |
| 77. | С.А. Карпов, А.В. Никитин, Г.Д. Толстолуцкая. Деградация железа и сплавов на его основе под влиянием водородной плазмы. Вопросы атомной науки и техники. Серия «Физика радиационных повреждений и радиационное материаловедение». 2017, №4(110), с. 3 - 16. |
| 78. | Г.Д. Толстолуцкая, А.С. Куприн, В.Н. Воеводин, А.В. Никитин, В.Д. Овчаренко, В.А. Белоус, Р.Л. Василенко, И.Е. Копанец. Блистеринг W-, Ta- и W-Ta-покрытий при воздействии потоками частиц низкоэнергетичной водородной плазмы. Вопросы атомной науки и техники. Серия «Физика радиационных повреждений и радиационное материаловедение». 2017, №5(111), с. 83 - 90. |
| 79. | A. Goncharov, A. Guglya, A. Kalchenko, E. Solopikhina, V. Vlasov, E. Lyubchenko. Nanocrystalline Porous Hydrogen Storages Based on Vanadium and Titanium Nitrides. Journal of Nanotechnology. Special Issue «Nanomaterials for Energy Storage Systems». 2017, v. 2017, ID4106067, 10 p. |
| 80. | A. Guglya, A. Kalchenko, Yu. Marchenko, E. Solopikhina, V. Vlasov, E. Lyubchenko. Nano-porous Thin Film VNx Hydrogen Absorbents: Method of Production, Structure Formation Mechanism and Properties. In book «Nanophysics, Nanomaterials, Nanotechnology, Surface Studies, and Applications». Springer International Publisher. Chapter 53. 2017, p. 693 - 703. |
| 81. | A. Guglya, E. Lyubchenko. Ion Beam-assisted Deposition of Cr-N, Ti-N and V-N Thin Films. In book: «Emerging Applications of Nanoparticles and Architecture Nanostructures». Elsevier Publisher. 2017, p. 68 - 102. |
| 82. | L.S. Ozhigov, A.S. Mitrofanov, G.D. Tolstolutskay, R.L. Vasilenko, A.G. Rudenko, V.V. Ruzhitskyi, N.D. Ribalchenko, S.V. Shramchenko. Comprehensive Investigation of the Metal in Drums of Boilers at Thermal Power Stations. Thermal Engineering. 2017, v. 64, No. 5, p. 350 - 356. |
| 83. | I.N. Laptev, O.O. Parkhomenko. On the Problem of Martensite Tetragonality Nature. East European Journal of Physics. 2017, v. 4, No. 3, p. 92 - 96. |
| 84. | O. Morozov, O. Mats, V. Zhurba, V. Mats, P. Khaimovich. Effects of Cold Deformation, Electron Irradiation and Extrusion on Deuterium Desorption Behavior in Zr-1%Nb Alloy. Nuclear Instruments and Methods in Physics Research B. 2017, v. 410, p. 37 - 40. |
| 85. | A. Guglya, E. Lyubchenko. Thin Film Hydrogen Storages. In book «Handbook of Ecomaterials». Springer International Publisher. 2017, p. 1 - 27. |
| 86. | Б.А. Шиляев, А.Л. Улыбкин, К.В. Ковтун, В.Е. Кутний, А.В. Рыбка. Последовательное превращение изотопов гафния при облучении нейтронами в активной зоне ядерного реактора ВВЭР-1000. Препринт ННЦ ХФТИ 2017-1. Харьков, ННЦ ХФТИ. 2017, 32 с. |
| 87. | Б.А. Шиляев, А.Л. Улыбкин, А.В. Рыбка, В.Е. Кутний, К.В. Ковтун. Основы разработки нового комптоновского детектора нейтронов прямого заряда для активной зоны ядерного реактора ВВЭР-1000. Препринт ННЦ ХФТИ 2017-2. Харьков, ННЦ ХФТИ. 2017, 46 с. |
| 88. | A.I. Komir, N.P. Odeychuk, V.I. Tkachenko, A.L. Ulybkin, A.A. Nikolaenko. High-Temperature Oxidation of Nuclear Graphite With Account of Movement of the Surface Layerof of Oxidator. Problems of Atomic Science and Technology. Series «Vacuum, Pure Materials, Superconductors». 2018, No. 1(113), p. 142 - 147. |
| 89. | B.A. Shilyaev, A.L. Ulybkin, K.V. Kovtun, A.V. Rybka, V.E. Kutny, A.O. Pudov. Hafnium in Nuclear Power Industry: The Evolution of Increasing of the Economic Indicators and the Operation Safety of Pressurized Water Nuclear Reactors. Problems of Atomic Science and Technology. Series «Vacuum, Pure Materials, Superconductors». 2018, No. 1(113), p. 43 - 50. |
| 90. | A.L. Ulybkin, A.V. Rybka, K.V. Kovtun, V.E. Kutny, V.N. Voyevodin, A.O. Pudov. Compton-Emmissive Hafnium Detector of Neutrons for In-Core Monitoring. Nuclear Physics and Atomic Energy. Section: Atomic Energy. 2018, v. 19, Iss. 3, p. 237 - 243. |
| 91. | N.P. Dikiy, E.P. Bereznyak, S.N. Grigorov, Yu.V. Lyashko, E.P. Medvedeva, D.V. Medvedev, L.P. Rekova, Y.S. Hodyreva. Variation of Impurity Element Content, Structure and Phase Composition of the Teeth at Inflammatory Odontogenic Diseases. Problems of Atomic Science and Technology. Series «Nuclear Physics Investigations». 2019, No. 3(121), p. 47 - 52. |
| 92. | I.F. Kislyak, K.V. Kutniy, V.S. Okovit, M.A. Tikhonovsky, P.A. Khaimovich, I.V. Kolodiy, A.S. Kalchenko. Formation of Nanostructure and Mechanical Properties of Titanium with Different Purity. Problems of Atomic Science and Technology. Series «Physics of Radiation Effect and Radiation Materials Science». 2018, No. 2(114), p. 109 - 114. |
| 93. | В.М. Воєводін, А.С. Митрофанов, С.В. Гоженко, Є.О. Крайнюк, Р.Л. Василенко, І.М. Шаповал, А.В. Бажуков, А.М. Палій, П.Є. Мельник. Аналіз даних контролю теплообмінних труб парогенераторів ПГВ-1000 НА ЮУАЕС. Вопросы атомной науки и техники. Серия «Физика радиационных повреждений и радиационное материаловедение». 2018, №5(117), с. 82 - 86. |
| 94. | В.Н. Воеводин, А.С. Митрофанов, С.В. Гоженко, Е.А. Крайнюк, Р.Л. Василенко, А.В. Бажуков, А.Н. Палий, П.Е. Мельник. Эволюция основного металла ГЦТ «горячей» и «холодной» ниток энергоблоков Южно-Украинской АЭС в процессе эксплуатации на протяжении 200 тысяч часов. Вопросы атомной науки и техники. Серия «Физика радиационных повреждений и радиационное материаловедение». 2018, №5(117), с. 55 - 62. |
| 95. | V.V. Ruzhytskyi, S.А. Karpov, А.S. Kalchenko, I.Е. Кopanets, B.S. Sungurov, G.D. Tolstolutskaya. Helium Porosity Development During Annealing of Helium-implanted 18Cr10NiTi Steel. East European Journal of Physics. 2018, v. 5, No. 4, p. 28 - 35. |
| 96. | S.A. Karpov, G.D. Tolstolutskaya, V.N. Voyevodin, G.N. Tolmachova, I.E. Kopanets. The Dose Dependence of Inert Gases Irradiation Hardening of 316 Austenitic Stainless Steel After Low Temperature Irradiation. Problems of Atomic Science and Technology. Series «Physics of Radiation Effect and Radiation Materials Science». 2018, No. 5(117), p. 34 - 39. |
| 97. | A.S. Kuprin, V.A. Belous, V.N. Voyevodin, R.L. Vasilenko, V.D. Ovcharenko, G.D. Tolstolutskaya, I.E. Kopanets, I.V. Kolodiy. Irradiation Resistance of Vacuum Arc Chromium Coatings for Zirconium Alloy Fuel Claddings. Journal of Nuclear Materials. 2018, v. 510, p. 163 - 167. |
| 98. | B.S. Sungurov, G.D. Tolstolutskaya, S.A. Karpov, V.V. Ruzhytskiy, V.N. Voyevodin. Characterization of Dislocation Type Defects Formed at Low-energy Deuterium Irradiation of SS316 Stainless Steel. Problems of Atomic Science and Technology. Series «Physics of Radiation Effect and Radiation Materials Science». 2018, No. 2(114), p. 8 - 12. |
| 99. | A.V. Nikitin, G.D. Tolstolutskaya, I.E. Kopanets, S.A. Karpov, V.V. Ruzhytskiy. Kinetics of Blisters Growth in a Deformed α-Fe at Low-energy Deuterium Plasma Exposure. Problems of Atomic Science and Technology. Series «Plasma Physics». 2018, No. 6(118), p. 26 - 30. |
| 100. | S.A. Karpov, G.D. Tolstolutskaya, V.N. Voyevodin. The Most Probable Mechanisms of Material Characteristics Degradation Due to Accumulation of Hydrogen and Predicting the Possible Scenarios of Maintain Its Resource. Problems of Atomic Science and Technology. Series «Physics of Radiation Effect and Radiation Materials Science». 2018, No. 5(117), p. 3 - 16. |
| 101. | A.V. Nikitin, A.S. Kuprin, G.D. Tolstolutskaya, R.L. Vasilenko, V.D. Ovcharenko, V.N. Voyevodin. Comparison of Blistering of W Bulk and Coatings under H2, D2 and He Plasma Irradiation. Problems of Atomic Science and Technology. Series «Physics of Radiation Effect and Radiation Materials Science». 2018, No. 2(114), p. 29 - 34. |
| 102. | A. Guglya, A. Kalchenko, E. Solopikhina, V. Voyevodin, R. Vasilenko, V. Vlasov, E. Lyubchenko. Structure of Nano-porous VNx Thin Films Obtained by Ion-beam Assisted Deposition Technology. Thin Solid Films. 2018, v. 666, p. 130 - 136. |
| 103. | A.G. Guglya, V.A. Gusev, E.A. Lyubchenko. From Nanomaterials and Nanotechnologies to Alternative Energy. Progress in Physics of metals. 2018, No. 19, v. 4, p. 450 - 483. |
| 104. | А.Г. Гугля, Ю.А. Марченко. Нанокристаллические материалы в альтернативной энергетике. Обзор. Харьков, ННЦ ХФТИ. 2018, 48 с. |
| 105. | T.I. Mazilova, E.V. Sadanov, V.N. Voyevodin, V.A. Ksenofontov, I.M. Mikhailovskij. Impact-induced Concerted Mass Transport on W Surfaces by a Voidion Mechanism. Surface Science. 2018, v. 669. p. 10 - 15. |
| 106. | V.N. Voyevodin. Accelerators for Simulation of Radiation Damage. IAEA Nuclear Energy Series, No.NF-T-2.2. Asselerator Simulation and Theoretical Modelling of Radiation Effects in Structural Materials. p. 23 - 48. |
| 107. | V.M. Grytsyna, D.G. Malykhin, T.S. Yurkova, K.V. Kovtun, T.P. Chernyayeva, G.V. Kovtun, V.N. Voyevodin. Effects of Cross Rollihg and Stress Relaxation on Texture of Zr-2,5%Nb Plates. Problems of Atomic Science and Technology. Series «Physics of Radiation Effect and Radiation Materials Science». 2018, No. 5(117), p. 69 - 75. |
| 108. | В.М. Воєводін, Г.Д. Толстолуцька. Сучасний стан радіаційного матеріалознавства для забезпечення сталої ядерної енергетики України. Наука про матеріали: досягнення та перспективи. Академперіодіка. Київ. 2018, с. 35 - 62. |
Завідувачка відділу «Фізики радіаційних явищ та радіаційного матеріалознавства»
Член-кореспондент НАН України зі спеціальності «Радіаційне матеріалознавство»
Доктор фізико-математичних наук за спеціальністю 01.04.07 – фізика твердого тіла
Професор зі спеціальності 132 Матеріалознавство
Нагороджена відзнакою НАН України «За наукові досягнення» (2018), почесною грамотою Харківської облдержадміністрації (2020), відзначена подякою Президії НАН України (2023).
тел. +38(057) 700-21-40
e-mail: g.d.t@kipt.kharkov.ua
Область наукових інтересів:
радіаційне матеріалознавство конструкційних матеріалів діючих та перспективних ядерних реакторів; процеси взаємодії прискорених газових іонів з твердим тілом з визначенням конфігурації та концентрації точкових дефектів; взаємозв'язок структури та композиційного складу матеріалів з їх фізико-механічними властивостями та радіаційною стійкістю; вплив розпухання, радіаційно-термічної повзучості та водню на деформований стан внутрішньокорпусних пристроїв ВВЕР.
Начальник лабораторії «Електронно-мікроскопічні дослідження структури опромінених матеріалів»
Кандидат фізико-математичних наук за спеціальністю 01.04.13 – фізика металів
Старший дослідник за спеціальністю 104 Фізика та астрономія
Стипендіат НАН України у 2011–2013 рр.
Лауреат премії НАН України для молодих вчених у 2008 р.
e-mail: kalchenko@kipt.kharkov.ua
Область наукових інтересів:
Дослідження мікроструктури та структурно-фазової еволюції матеріалів ядерної енергетики (аустенітних, ферито-мартенситних, дисперсно-зміцнених оксидами нержавіючих сталей, високоентропійних сплавів та ін.) за допомогою трансмісійної та скануючої електронної мікроскопії з рентгеноспектральним аналізом. Вивчення впливу іонного опромінення на радіаційну стійкість сталей при високих і надвисоких дозах для прогнозування їх поведінки в реакторних умовах при довгостроковій експлуатації.
Начальник лабораторії «Фізики взаємодії іонних пучків з матеріалами»
Кандидат фізико-математичних наук за спеціальністю 01.04.07 – фізика твердого тіла
Старший дослідник за спеціальністю 104 Фізика та астрономія
тел. +38(057) 700-21-40
e-mail: karpofff@kipt.kharkov.ua
Область наукових інтересів:
експериментальне вивчення поведінки іонно-імплантованих газових іонів в конструкційних матеріалах ядерної енергетики, дослідження еволюції дефектної мікроструктури опромінених матеріалів, вивченням впливу опромінення на радіаційно-індуковане зміцнення сталей та сплавів.
Начальник лабораторії «Досліджень реакторних матеріалів»
Кандидат технічних наук за спеціальністю 01.04.07 – фізика твердого тіла
Старший науковий співробітник за спеціальністю 01.04.07 – фізика твердого тіла
тел. +38(057) 335-65-53
e-mail: gozhenko@kipt.kharkov.ua
Область наукових інтересів:
розробка та впровадження нових методів діагностики та контролю металу корпусу ядерного реактора, обладнання, металоконструкцій та трубопроводів у процесі експлуатації АЕС, ТЕС.
Провідний науковий співробітник
Кандидат фізико-математичних наук за спеціальністю 01.04.07 – фізика твердого тіла
Старший науковий співробітник за спеціальністю 01.04.07 – фізика твердого тіла
тел. +38(057) 700-21-40
e-mail: ruzhytskiy@kipt.kharkov.ua
Область наукових інтересів:
вивчення процесів взаємодії прискорених іонів (Н2+, D2+, He+, N2+, Ar+, Ne+ та ін.), а також їх молекулярних потоків з конструкційними матеріалами ядерних і термоядерних реакторів і чистими металами; дослідження змін фізико-механічних властивостей, фазового та структурного станів матеріалів за допомогою іонної імплантації, термодесорбційної мас-спектрометрії, електронної мікроскопії та ядерно-фізичних методів.
Старший науковий співробітник
Кандидат фізико-математичних наук за спеціальністю 01.04.07 – фізика твердого тіла
Старший науковий співробітник за спеціальністю 01.04.07 – фізика твердого тіла
тел. +38(057) 700 35 68
e-mail: morozov@kipt.kharkov.ua
Область наукових інтересів:
вивчення методами термодесорбційної мас-спектрометрії, іонної імплантації, електронної мікроскопії, електронографії структурно-фазових перетворень, індукованих імплантацією іонів хімічно-активних та інертних газів у матеріали. Побудова моделей кінетики формування та розпаду гідридних фаз в металах та композитах (Pd, Ni, Zr, Ti, MAX, ВЕС та ін.).
Старший науковий співробітник
Кандидат фізико-математичних наук за спеціальністю 01.04.07 – фізика твердого тіла
тел. +38 063 876 23 52
e-mail: ebereznyak17@gmail.com
Область наукових інтересів:
радіаційна фізика напівпровідників та діелектриків. Застосування методів інфрачервоної спектроскопії (ІЧС) та кристалооптичного аналізу для вивчення радіаційного, термічного і корозійного впливу на структуру, фазовий склад і властивості неметалічних неорганічних матеріалів (природних горних порід та мінералів, поглинаючих керамік, штучних керамічних матеріалів), які застосовуються в атомній енергетиці, в тому числі для ізоляції радіоактивних відходів, а також використання ІЧС та кристалооптичного аналізу у медичних цілях (для визначення фазового складу та структури ниркових каменів, складу крові та інших біологічних речовин).
Старший науковий співробітник
Кандидат фізико-математичних наук за спеціальністю 01.04.08 – фізика плазми
Старший науковий співробітник за спеціальністю 01.04.08 – фізика плазми
тел. +38(057) 700-21-40
e-mail: ankashaba@gmail.com
Область наукових інтересів:
дослідження з фізики низькотемпературної плазми в газорозрядних пучково-плазмових системах з поперечним магнітним полем, фізика пучків заряджених частинок малої та середньої енергії, розробка технологічних пристроїв для нанесення функціональних покриттів, травлення та модифікації поверхні твердого тіла. Вивчення процесів плазмоутворення в накальних порожнистих катодах і холлівських джерелах плазми в складі електрореактивних космічних двигунних установок. Дослідження впливу параметрів процесу осадження захисних нітридних покриттів на сталях та титанових сплавах на проникнення водню в об’єм матеріалу.
Молодший науковий співробітник
Доктор філософії за спеціальністю 104 Фізика та астрономія
тел. +38(057) 335-31-74
e-mail: rostova@kipt.kharkov.ua
Область наукових інтересів:
дослідження структури та властивостей металів, біметалів і сплавів металографічними методами; обробка даних наноіндентування зі зміцнення аустенітної сталі SS316 і високоентропійних сплавів після опромінення їх газовими іонами; дослідження структури та властивостей сталі Т91 після різних режимів термічної і термомеханічної обробок.
Науковий співробітник
Доктор філософії за спеціальністю 105 Прикладна фізика та наноматеріали
тел. +38(057) 335-67-53
e-mail: a.ulybkin@gmail.com
Область наукових інтересів:
вивчення процесів взаємодії нейтронного і гамма-випромінювання з твердим тілом; розрахунок ланцюжків ядерних перетворень.
Молодший науковий співробітник
тел. +38(057)335-65-53
e-mail: krainyuk@kipt.kharkov.ua
Область наукових інтересів:
дослідження еволюції структури та механічних властивостей внутрішньокорпусних матеріалів та сталей основного обладнання АЕС, композитних та вуглець-вуглецевих матеріалів за допомогою комплексних методів досліджень.
Молодший науковий співробітник
тел. +38(057) 335-65-84
e-mail: r.vasilenko@kipt.kharkov.ua
Область наукових інтересів:
проведення експериментів із дослідження за допомогою просвічуючої та растрової електронної мікроскопії структури опроміненого цирконію і титану, багатошарових покриттів і матеріалів ядерної енергетики.
Начальник групи з розробки шаруватих металів і біметалів
Провідний інженер-дослідник
тел. +38(057) 335-61-69
e-mail: ilchenko_ni@ukr.net
Область наукових інтересів:
розробка, створення та дослідження перехідникових біметалів, багатошарових радіаційно-абсорбуючих композитів, наноструктурованих композитів різного функціонального призначення.